1. Tujuan[Kembali]
·
Mempelajari dan
memahami troubleshooting techniques
·
Mensimulasikan rangakaian
troubleshooting techniques menggunakan proteus
2. Alat dan bahan[Kembali]
a.
Alat
·
DC voltmeter
Voltmeter dc adalah alat ukur yang berfungsi untuk mengetahui beda potensial tegangan DC antara 2 titik pada suatu beban listrik atau rangkaian elektronika.
b.
Bahan
·
Resistor
Resistor merupakan
komponen elektronik yang memiliki dua pin dan didesain untuk mengatur tegangan
listrik dan arus listrik. Resistor mempunyai nilai resistansi (tahanan)
tertentu yang dapat memproduksi tegangan listrik di antara kedua pin dimana
nilai tegangan terhadap resistansi tersebut berbanding lurus dengan arus yang
mengalir.
· Transistor
Transistor adalah alat
semikonduktor yang dapat digunakan sebagai penguat sinyal, pemutus atau
penyambunng sinyal (switching). Transistor memiliki tiga kaki elektroda, yaitu
basis, kolektor, dan emitor.Pada rangkaian kali ini digunakan transistor 2SC1162 bertipe
NPN. Transistor ini diumpamakan sebagai saklar, yaitu ketika kaki basis diberi
arus, maka arus pada kolektor akan mengalir ke emiter yang disebut dengan
kondisi ON. Sedangkan ketika kaki basis tidak diberi arus, maka tidak ada arus
mengalir dari kolektor ke emitor yang disebut dengan kondisi OFF. Namun, jika
arus yang diberikan pada kaki basis melebihi arus pada kaki kolektor atau
arus pada kaki kolektor adalah nol (karena tegangan kaki kolektor sekitar 0,2 -
0,3 V), maka transistor akan mengalami cutoff (saklar tertutup).
·
Power
Digunakan sebagai penyedia sumber energi listrik untuk
perangkat-perangkat elektronika dalam hal ini energi listrik tegangan DC.
·
Ground
Berfungsi sebagai penghantar arus listrik langsung ke bumi atau tanah saat terjadi kebocoran isolasi atau percikan api pada konsleting, sebagai proteksi perlatan elektronik sehingga dapat mencegah kerusakan saat terjadi kebocoran tegangan, dan sebagai penetralisir noise (cacat) yang disebabkan oleh daya maupun kualitas komponen tidak standar.
3. Dasar teori[Kembali]
Troubleshooting
Techniques
Langkah
pertama yang dilakukan untuk memperbaiki masalah jaringan adalah memahami
karakteristik jaringan tersebut dan memiliki ide yang diharapkan untuk level
tegangan dan arus. Untuk bagian aktif dari transistor, pengukuran paling
penting adalah level dc dari tegangan basis ke
emitor.
Tegangan VBE untuk transistor agar aktif
adalah sekitar 0,7V.
Pada
gambar 4.57 ujung positif (merah) terhubung ke base terminal untuk transistor
npn dan ujung negatif (hitam) ke terminal emitor. Beberapa pembacaan akan sangat
berbeda dengan level yang diharapkan yaitu sekitar
0,7V, tetapi yang terbaca seperti 0,4V, 12V atau
negatif sehingga koneksi jaringan harus di periksa.
Untuk transistor pnp, bisa digunakan koneksi
yang sama tapi pembacaannya akan mengkasilkan nilai negatif.
Tingkat
tegangan yang penting lainnya adalah tegangan dari kolektor ke emitor. Pada karakteristik
umum BJT yang level VCE-nya sekitar 0,3V yang disarankan untuk suatu
perangkat. Namun:
Untuk transistor
penguat agar aktif VCE nya harus sekitar 25% -75% dari VCC.
Untuk VCC = 20V, pembacaan VCE dari 1 – 2V
atau 18 – 20V seperti yang diukur pada gambar 4.58 merupakan hasil pengukuran
yng tidak biasa kecuali sengaja dirancang untuk respon ini dan operasinya harus
diselidiki. Jika VCE = 20V (dengan VCC = 20V) setidaknya ada dua kemungkinan,
pertama, perangkat BJT rusak, kedua, memiliki sirkuit yang terbuka antara
terminal kolektor dan emitor atau sambungan dalam kolektor – emitor atau loop
rangkaian basis – emitor terbuka seperti yang ditunjukkan gambar 4.59 membentuk
IC pada 0 mA dan VRC 0V.
Pada gambar 4.59, ujung hitam voltmeter
terhubung ke ground dan ujung merah mengarah pada ke terminal bawah resistor. Tidak
adanya arus kolektor dan penurunan yang terjadi di RC akan menghasilkan
pembacaan 20V. Jika meter terhubung ke terminal kolektor BJT, maka pembacaan
akan menjadi 0V karena VCC dihambat oleh sirkuit terbuka. Salah satu kesalahan yang
paling umum adalah penggunaan nilai resistansi yang salah. Bayangkan dampak
penggunaan resistor 680 ohm untuk RB dibandingkan dengan 680kOhm untuk VCC = 20V
dan konfigurasi fixed-bias, arus yang dihasilkan adalah
Dan hasil yang diinginkan adalah 28.4
A, perbedaan yang sangat signifikan.
Arus dasar 28.4 mA mungkin akan merusak perangkat. Karena nilai resistor aktual sering
berbeda dengan nilai kode warna maka sebelum menggunakannya dalam jaringan
lebih baik diukur terlebih dahulu. Dengan begitu, nilai aktual akan lebih dekat
dengan nilai teoritis.
Bagaimanapun, salah satu metode yang paling efektif untuk memeriksa pengoperasian jaringan adalah dengan memeriksa level tegangan yang terhubung dengan menghubungkan ujung hitam (negatif) voltmeter ke ground dan ujung merah (positif) ke terminal yang penting. Dalam gambar 4.60 jika ujung merah terhubung langsung ke VCC maka harus membaca VCC karena jaringan memiliki satu landasan bersama untuk parameter suplai dan jaringan. Seperti yang ditentukan oleh penurunan di RC dan VE harus kurang dari VC oleh VCE tegangan kolektor – emitor. Jika VCR dan VRE memiliki nilai yang wajar tetapi VCE memiliki nilai 0V, kemungkinannya adalah bahwa ada BJT rusak dan terjadi arus pendek antara terminal kolektor dan emitor. Seperti yang disebutkan sebelumnya, jika VCE memilki nilai sekitar 0.3V seperti yang didefenisikan bahwa VCE = VC – VE, jaringan mungkin saturasi dengan perangkat atau mungkin tidak rusak.
Voltmeter VOM atau DMM cukup penting dalam
proses troubleshooting. Arus level biasanya dihitung dari level tegangan yang
melintasi resistor daripada “memecah” jaringan untuk memasukkan bagian dari milli
ammeter dari multimeter. Pada skema besar, level tegangan tertentu di sediakan
sehubungan dengan ground untuk mempermudah pengecekan dan mengidentisikasi
kemungkinan masalah.
Example 4.25
Berdasarkan gambar 4.61, tentukan apakah
jaringan beroperasi dengan benar, jika tidak, apa kemungkinan penyebabnya?
Tegangan 20V di kolektor mengungkapkan bahwa IC = 0mA karena adanya sirkuit terbuka atau transistor tidak beroperasi. Level VRB = 19.85V juga mengungkapkan bahwa transistor tidak aktif karena perbedaan VCC – VRB = 0.15V, kurang dari yang diperlukan untuk mengaktifkan transistor dan memberikan tegangan yang sama untuk VE. Jika diasumsikan bahwa terjadi korsleting dari basis ke emitor, arus yang didapatkan melalui RB:
Dengan begitu, pada jaringan transistor
berada sdalam keadaan rusak dengan terjadinya korsleting antara basis dan
emitor.
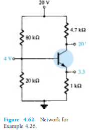
Example 4.26
Berdasarkan gambar 4.62, tentukan apakah transistor
aktif dan jaringan beroperasi dengan benar?
Solusi
Berdasarkan nilai resistor R1 dan R2 serta besarnya VCC, tegangan VB = 4V tepat digunakan. 3.3V di emitor menghasilkan penurunan 0.7V melintasi persimpangan basis ke emitor transistor sehingga transistor aktif. Namun, 20V di kolektor mengungkapkan bahwa IC = 0mA, walaupun koneksi ke suplai harus “solid” atau 20V tidak akan muncul di kolektor perangkar. Ada dua kemungkinan, pertama, terdapat koneksi yang buruk antara RC dan terminal kolektor transistor, kedua, persimpangan basis ke kolektor transistor terbuka. Untuk mengatasinya periksa kontinuitas persimpangan kolektor menggunakan ohmmeter. Jika tidak terdapat masalah, perikasa transistor menggunakan salah satu metode pada bab3.
Problem
2) Berdasarkan gambar 4.74, tentukanlah:
44) Tentukanlah VC, VCE, dan IC pada jaringan di gambar 4.101
4. Percobaan[Kembali]
·
Rangkaian
·
Prinsip kerja rangkaian
Troubleshooting Techniques pada rangkaian adalah memasang transistor
lalu menghubungkan empat buah resisor yang memiliki nilai hambatan
tertentu.Pada prinsipnya Troubleshooting Techniques adalah mengukur nilai
tegangan pada tiap tiap resistor yang telah dipasangkan transistor sebagai
switching tegangan dan menghitung berapa beda tegangan pada tiap -tiap resistor.
·
Video
·
Download
Download html
Download rangkaian
Download video
Download datasheet
5. pilihan ganda
1. Dibawah ini yang merupakan cara untuk memecahkan masalah jaringan dalam troubleshooting network adalah
a). memahami perilaku jaringan dan memiliki beberapa gagasan tentang usia tegangan
b). membuat rangkaian seri dan paralel
c). mengetahui cara memakai jaringan yang benar
d). Menggunakan metode photoconduction untuk memperbaiki masalahJawaban: A
2. Apa pengertian dari proses pemecahan masalah dalam troubleshooting network
a). Persimpangan dari garis beban dengan karakteristik akan menentukan titik operasi dari sistem. Analisis semacam itu, untuk alasan yang jelas
b). Detail analisis tidak akan dilakukan untuk setiap konfigurasi karena mereka mengikuti jalan yang sangat mirip dengan yang ditunjukkan
c).ujian sejati dari pemahaman Anda yang jelas tentang perilaku yang tepat dari jaringan dan kemampuan untuk mengisolasi area masalah menggunakan beberapa pengukuran dasar dengan instrumen yang sesuai
d).mengisolasi sinyal input dari suatu beban oleh menggunakan tahap yang memiliki gain tegangan kesatuan, tanpa fase atau pembalikan polaritas, dan bertindak sebagai sirkuit ideal dengan impedansi input sangat tinggi dan impedansi output rendahJawaban: C
6. example dan problem
Example:
- Berdasarkan
bacaan yang disediakan pada Gambar 4.61, tentukan apakah jaringan
beroperasi dengan benar dan, jika tidak, kemungkinan penyebabnya.
Jawaban:
20 V di kolektor segera mengungkapkan bahwa IC = 0 mA, karena rangkaian terbuka atau transistor yang tidak beroperasi. Tingkat VRB = 19,85 V juga mengungkapkan bahwa transistor "mati" karena perbedaan VCC - VRB = 0,15 V kurang dari yang dibutuhkan untuk nyalakan "transistor" dan berikan tegangan untuk VE. Padahal, jika kita anggap pendek kondisi sirkuit dari basis ke emitor, kami memperoleh arus berikut melalui RB:
yang cocok yang diperoleh dari
Jika jaringan beroperasi dengan benar, arus basis seharusnya
Problem:
20 V di kolektor segera mengungkapkan bahwa IC = 0 mA, karena rangkaian terbuka atau transistor yang tidak beroperasi. Tingkat VRB = 19,85 V juga mengungkapkan bahwa transistor "mati" karena perbedaan VCC - VRB = 0,15 V kurang dari yang dibutuhkan untuk nyalakan "transistor" dan berikan tegangan untuk VE. Padahal, jika kita anggap pendek kondisi sirkuit dari basis ke emitor, kami memperoleh arus berikut melalui RB:
yang cocok yang diperoleh dari
Jika jaringan beroperasi dengan benar, arus basis seharusnya
2. Mengacu pada pembacaan yang ditunjukkan diagram, tentukan apakah transistor dalam posisi "on" atau tidak, dan apakah jaringan beroperasi dengan benar
























Tidak ada komentar:
Posting Komentar